Get Images Library Photos and Pictures. How Does A Diesel Generator Work Their Parts And How They Function Ats Control Wiring Diagram Kubota Kj 13 20 Usa Generators Workshop Manual Pdf Download Diesel Generator Control Panel Wiring Diagram Engine Connections Electrical Circuit Diagram Electrical Panel Wiring Electrical Wiring Diagram
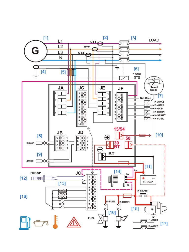
The above illustrated diesel generator control panel wiring diagram is the typical connection wiring diagram of the bek3 automatic mains failure controller. This generator set is one of a family.
. P500 1 Diesel Generator Set Fg Wilson Pdf Catalogs Technical Documentation Brochure Small Diesel Generators Wiring Diagrams Https Generator Pro Co Uk Attachment Id 992
Diesel Generator Control Panel Wiring Diagram Pdf
Diesel Generator Control Panel Wiring Diagram Pdf Kubota wiring diagram pdf kubota ignition switch wiring diagram new kubota generator wiring diagram inspirationa kubota wiring diagram.
. This operator instruction manual has been designed to help you operate and maintain your electrical generator set correctly. Generator wiring diagram and electrical schematics pdf what is a wiring diagram. Variety of kubota wiring diagram pdf.
Assortment of generator wiring diagram and electrical schematics pdf. You can set a warning or a shutdown limit for the current. Diesel engine starter wiring diagram component.
It reveals the parts of the circuit as simplified shapes and the power and signal connections in between the gadgets. 8 mm2 no mark wire size. A wiring diagram is a straightforward visual representation in the physical connections and physical layout of an electrical system or circuit.
Electrician circuit drawings and wiring diagrams youth explore trades skills 3 pictorial diagram. It shows what sort of electrical wires are interconnected and may also show where fixtures and components may be connected to the system. Click on the image to enlarge and then save it to your computer by right.
A diagram that represents the elements of a system using abstract graphic. Posted on march 27 2019 by admin. Generator wiring diagram 125.
It reveals the components of the circuit as streamlined forms and the power and also signal connections in between the gadgets. Connecting the current transformers after the mains and generator changeover will allow you to read and monitor the current when the load is connected to the power utility. A wiring diagram is a simplified traditional photographic depiction of an electrical circuit.
Variety of generator wiring diagram and electrical schematics pdf. The one line diagram is similar to a block diagram except that electrical elements such as switches circuit breakers transformers and capacitors are shown by standardized schematic symbols. Motor wiring diesel cycle pv diagram of a engine 1982 6 2 19 diesel generator schematic diagram portable wiring amf panel circuit pdf and electrical schematics 12 newage generator wiring diagram new sx460 avr pdf engine wiring diesel fuel solenoid diagram grid 1985 6 2 gen.
Diesel generator wiring diagram pdf. A wiring diagram is a simplified traditional photographic representation of an electric circuit. 125 connector arrangement wiring view 32 1 w1 v1 u1 u2 v2 cn1 cn2 b4 b e e 12 3 u1 v1 w1 b4 e u2 b v2 e r st 1 23 cn3 t.
We recommend that the operator should take the time to read this manual. Certain tasks may require work to be completed by specifically trained technicians an operator should only attempt a task detailed for an operator to complete. 14 mm2 mm2 b l br g gr v p black blue brown green gray violet pink r w y lb lg o red white yellow light blue light green orange wire size codewire color 55.
Automatic Generator Wiring Diagrams Magnum Dimensions
Isuzu Npr Diesel Engine Diagram Intake Wiring Diagrams Img Random A Random A Farmaciastorelli It
Kipor Kde6700t Auto Start Automatic Generator Control Modules
Chevrolet Captiva Electrical Wiring Diagrams Carmanualshub Com
Wiring Diagram Of 5kva Generator
Https Encrypted Tbn0 Gstatic Com Images Q Tbn And9gcsiqocxsvbybmuyoqvyihpimtyjlrym 441le Kev3bewhptykm Usqp Cau
How Does A Diesel Generator Work Their Parts And How They Function
8fc8bf Caterpillar C15 Engine Brake Wiring Diagram Wiring Library
Diagram Ats Panel For Generator Wiring Diagram Full Version Hd Quality Wiring Diagram Relayha Leasiatique It
Small Diesel Generators Wiring Diagrams
Diagram Residential Electrical Wiring Guide For Electricians Wiring Diagram In Pdf And Cdr Files Format Free Download Wiring Diagram Healingdiagramsbutishop Butishop It
Diagram Wiring Diagram Genset Perkins Full Version Hd Quality Genset Perkins Sio2phasediagram Splitbar It
Diagram 7 3 Liter Diesel Engine Diagram Full Version Hd Quality Engine Diagram Adrenalizasuspensiones Behenry Fr
Emcp 3 1 3 2 3 3 Generator Set Control Pdf Free Download
Diagram Kia Carens Electrical Systems Wiring Diagrams Full Version Hd Quality Wiring Diagrams Skywiring1j Ipsarvirtuoso It
Generator Engine Wiring Diagram
Automatic Diesel Generator Controller Ip42 Gasket Continuous Power Supply
Small Diesel Generators Wiring Diagrams
Diesel Generator Control Panel Wiring Diagram Electrical Circuit Diagram Electrical Diagram Electrical Wiring Diagram
Diagram Electrical Control Panel Wiring Diagram Pdf Download Wiring Diagram Full Version Hd Quality Wiring Diagram Albanywiring Photoscratch Fr
Small Diesel Generators Wiring Diagrams
Cummins Engine Electric Fuel Control Governor
Https Encrypted Tbn0 Gstatic Com Images Q Tbn And9gcrsjwocx3x Lfkhiver31ugike1obgvxjmeqyzngl1bp5iplorg Usqp Cau
Diesel Generator Control Panel Wiring Diagram Ac Connections Electrical Circuit Diagram Diagram Circuit Breaker Panel
How Does A Diesel Generator Work Their Parts And How They Function

Komentar
Posting Komentar